

SD20 Series connectors
Connectionmethod:threadedconnection Shell material:Thermoplastic PA66, PA6 Insulator:ThermoplasticPpswithhightemperatureresistanceof260°C Contactmaterial: copper(gold-plated) Wiring method: WeldingInsertion frequency: greaterthan 500 timesTemperature range: -25 'C to 85 °C


SD20socket series,codeand size diagram
Rear nut socket


2-hole socket


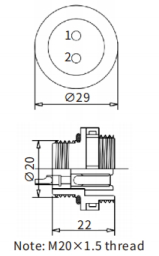
Square 4-hole socket


SStraightbuttjoint with cable fastening socket


SStraight type with hose connectorplug


SD20 plug series,code and size diagram
Curved cable fastening plug


Curved hose connector plug


Straight type cable fastening plug


Straight type with hose connectorplug




| model | Typesofcontactpartstobepurchased | Need to purchase the number of contact cores | ||||||||||||
| 01 02 | 03 | 04 | 05 | 06 | 07 | 08 | 09 | 10 | 12 | 14 | ||||
| SD20 | ZM | J | 01 02 03 04 05 06 07 08 09 10 12 14 | |||||||||||
| K | 01 02 03 04 05 06 07 08 09 10 12 14 | |||||||||||||
| SD20 | ZS | J | 01 02 03 04 05 06 07 08 09 10 12 14 | |||||||||||
| K | 01 02 03 04 05 06 07 08 09 10 12 14 | |||||||||||||
| SD20 | ZP | J | 01 02 03 04 05 06 07 08 09 10 12 14 | |||||||||||
| K | 01 02 03 04 05 06 07 08 09 10 12 14 | |||||||||||||
| SD20 | ZG | J | 01 02 03 04 05 06 07 08 09 10 12 14 | |||||||||||
| K | 01 02 03 04 05 06 07 08 09 10 12 14 | |||||||||||||
| SD20 | ZP | J | 01 02 03 04 05 06 07 08 09 10 12 14 | |||||||||||
| K | 01 02 03 04 05 06 07 08 09 10 12 14 | |||||||||||||
| SD20 | ZR | J | 01 02 03 04 05 06 07 08 09 10 12 14 | |||||||||||
| K | 01 02 03 04 05 06 07 08 09 10 12 14 | |||||||||||||
| SD20 | ZN | J | 01 02 03 04 05 06 07 08 09 10 12 14 | |||||||||||
| K | 01 02 03 04 05 06 07 08 09 10 12 14 | |||||||||||||
| SD20 | TP | J | 01 02 03 04 05 06 07 08 09 10 12 14 | |||||||||||
| K | 01 02 03 04 05 06 07 08 09 10 12 14 | |||||||||||||
| SD20 | TR | J | 01 02 03 04 05 06 07 08 09 10 12 14 | |||||||||||
| K | 01 02 03 04 05 06 07 08 09 10 12 14 | |||||||||||||
| SD20 | TN | J | 01 02 03 04 05 06 07 08 09 10 12 14 | |||||||||||
| K | 01 02 03 04 05 06 07 08 09 10 12 14 | |||||||||||||
| SD20 | TC | J | 01 02 03 04 05 06 07 08 09 10 12 14 | |||||||||||
| K | 01 02 03 04 05 06 07 08 09 10 12 14 | |||||||||||||
| SD20 | 02 | 03 | 04 | 05 | 06 | 07 | 08 | 09 | 10 | 12 | 14 |
| Frontview of pin insulator | ![]() ![]() | | |||||||||
| Contact diameter(OMM) | 2.8×2 | 02.8×3 | 02.8×4 | 02.8×5 | Ø1.8×6 | Ø1.8×7 | Ø1×8 | Ø1×9 | Ø1×10 | Ø1×12 | Ø1×14 |
| Rated current A | 25A | 25A | 25A | 25A | 10A | 10A | 5A | 5A | 5A | 5A | 5A |
| Working voltage (AC.V) | 380V | 380V | 380V | 380V | 380V | 380V | 250V | 250V | 250V | 250V | 250V |
| Voltage withstand(AC.V) | 1500V | 1500V | 1500V | 1500V | 1500V | 1500V | 1500V | 1500V | 1500V | 1500V | 1500V |
| Contact resistance MΩ | 1 | 1 | 1 | 1 | 2 | 2 | 5 | 5 | 5 | 5 | 5 |
| Insulation resistance MΩ | 2000 | 2000 | 2000 | 2000 | 2000 | 2000 | 2000 | 2000 | 2000 | 2000 | 2000 |
| Wire gaugemm²/AWG | ≤4/12 | ≤4/12 | ≤4/12 | ≤4/12 | ≤1.5/14 | ≤1.5/14 | ≤0.75/18 | ≤0.75/18 | ≤0.75/18 | ≤0.75/18 | ≤0.75/18 |




